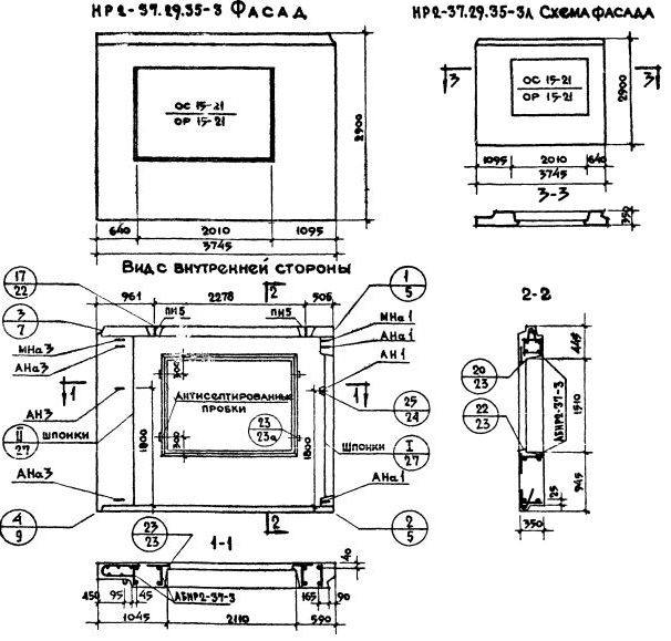
НР2-37.29.35-3

Чертеж изделия:
Чертеж НР2-37.29.35-3
Характеристики изделия:
ПараметрЗначение
Длина3745 мм
Ширина350 мм
Высота2900 мм
Масса3484 кг
Нормативный документСерия 1.132-1

НР2-37.29.35-3   Наружная стеновая панель рядовая по Серии 1.132-1.